PCI总线看门狗板卡 Watchdogs on PCI Bus
PCI-WDG-CSM 产品技术规格
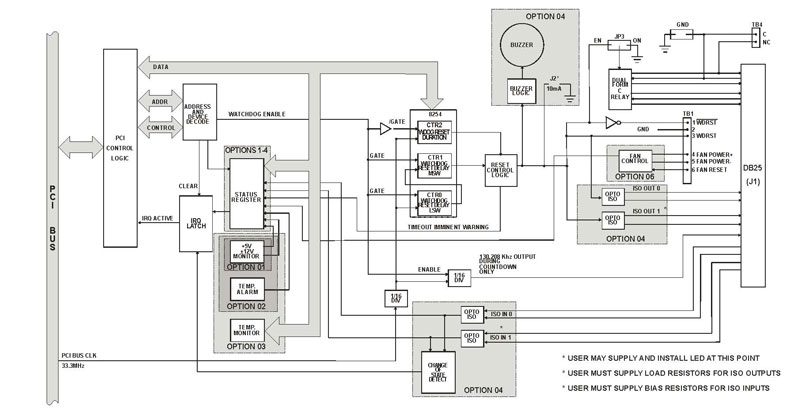
PC Interface

● PCI Bus

Watchdog Timer

● Time-out: Software selectable from 2 μsec. to 2060 sec

● Output Pulse Width: 120 nsec. Minimum, 31 msec. Maximum

● Clock: 2.08333 MHz, derived from computer clock (33 MHz÷16)

● Address: Continuously mappable within 0000 to FFFF hex I/O range

● Relay Output: DPDT, Form C, max. switching current 2A DCat 30W or 1.25A AC at 30VA max

● Open Collector Output: /WDRST Active low, 200mA sink max

● TTL Output: WDRST source 15mA @ 3.1V typical, sink 64mA @ 0.4V typical

● Interrupt Output: PCI-INTA

Status Monitor Options

● Voltages:IRQ and status register indication if +5, +12, or -12 V exceed +/- 6% of nominal

● Temp. Alarm: IRQ and status register indication at 122 °F. and above

● Temp. Sensor: 8 bit ADC, LSB = 0.7 °F. (factory adjustable)

● Buzzer: Audio Alert signals watchdog timeout

● LED Output: 5V, through a 470 Ω resistor

● Isolated Inputs: Two, opto-isolated, 10 mA typical bias, 60mA max

● Isolated Outputs: Complimentary opto-isolated reset outputs (2). 5mA typical load @ 30Vmax, 30mA maximum

● Fan Speed: IRQ and Status Register indication whenever speed is out of range

Environmental

● Operating Temperature Range: 0 to +60°C.

● Storage: -25 to +85°C

● Humidity: 0 to 90 percent (non-condensing)

● Power Required: +5 VDC at 125 mA w/ no options, 250 mA all options installed

● Size: 6.7 inches long (170 mm) x 3.9 inches high (99 mm)

Regulatory Compliance

● This product is designed to be in full compliance with CE requirements.

 
 

北京铭捷微芯科技有限公司

Copyright © Beijing Mingjieweixin Technology Co., Ltd

网站备案 / 许可证号:京ICP备11022535号-1